Special tools

 
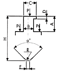
Total Height H: mm
Dimensions of tongue A: mm
Machine B: mm
Mode C: mm
    D: mm
Degrees on the nose a: mm
Radius R: mm
or measure of flat E: mm
Bending force P: mm
    or P1 mm
Length and segmented mm
Total height H: mm
Width F: mm
Width of grooves G: mm
Degrees on the nose a: o
 

Remark:

*Company:
*Name:
Street
*Zip,City:

Country:

Phone:
Fax:
E-mail:
*=obligatory field


Chien I Machine Co., Ltd.
TEL:886-3-3664888  FAX:886-3-3625169